DP9900LP 14.2*21.2*8mm 12V0.84A 5V1.4A 厚度仅8mm 超小POE模组
当前所在位置: 首页 » 产品 » POE 模组 » IEEE802.3af 协议 模组 » DP9900LP 14.2*21.2*8mm 12V0.84A 5V1.4A 厚度仅8mm 超小POE模组

DP9900LP 14.2*21.2*8mm 12V0.84A 5V1.4A 厚度仅8mm 超小POE模组

分享到:
IEEE802.3af 标准
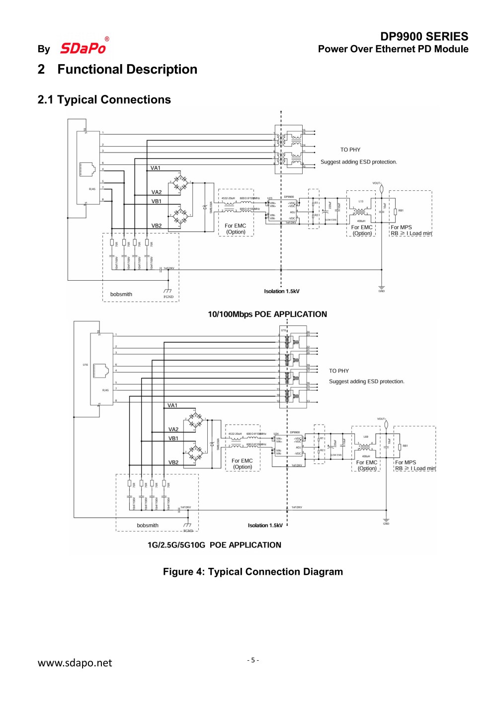
PoE输入电压:37-57V(15.4W)
DC/OUT:5V/1.4A(7W)或者12V/0.84A(10W)
ISO:1.5KV高压隔离
ModeA or ModeB都支持
大小:14.2*21.2mm长宽*8mm高
总功率:12W
支持10M/100M/1000M/10G等(看外围设计)
工业级耐温-40℃到85℃
  • DP9900LP

  • SDaPo

输出VDC:
状态:
数量:
上一条: 
下一条: 

相关产品

达普通讯有限公司(品牌:SDAPO)成立于 2012 年,是一家专注于以太网供电(POE)相关产品(如: POE 模块、POE 交换机、POE 供电器、POE 分离器和 POE 网卡等)的研发与制造企业,同时也是领先的 POE 技术解决方案提供商。

产品

快速链接

与我们保持联系
版权所有©2024 深圳市达普通讯有限公司保留所有权利。 | 网站地图 | 隐私政策